







正电压稳压器 POSITIVE-VOLTAGE REGULATORS
description/ordering information
This series of fixed-voltage integrated-circuit voltage regulators is designed for a wide range of
applications. These applications include on-card regulation for elimination of noise and distribution problems associated with single-point regulation. In addition, they can be used with power-pass elements to make high-current voltage regulators. One of these regulators can deliver up to 100 mA of output current. The internal limiting and thermal-shutdown features of these regulators essentially make them immune to overload. When used as a replacement for a Zener diode-resistor combination, an effective improvement in output impedance can be obtained, together with lower bias current.
3-Terminal Regulators
Output Current Up To 100 mA
No External Components
Internal Thermal-Overload Protection
Internal Short-Circuit Current Limiting
输出接口数 1
输出电压 12 V
输出电流 100 mA
静态电流 4.30 mA
输出电容类型 Capacitor Free
跌落电压 1.7V @40mA
调节输出数 1
输入电压Max 27 V
输入电压Min 14.5 V
输出电流Max 0.1 A
工作温度Max 125 ℃
工作温度Min 0 ℃
精度 ±5 %
输入电压 14.5V ~ 27V
安装方式 Surface Mount
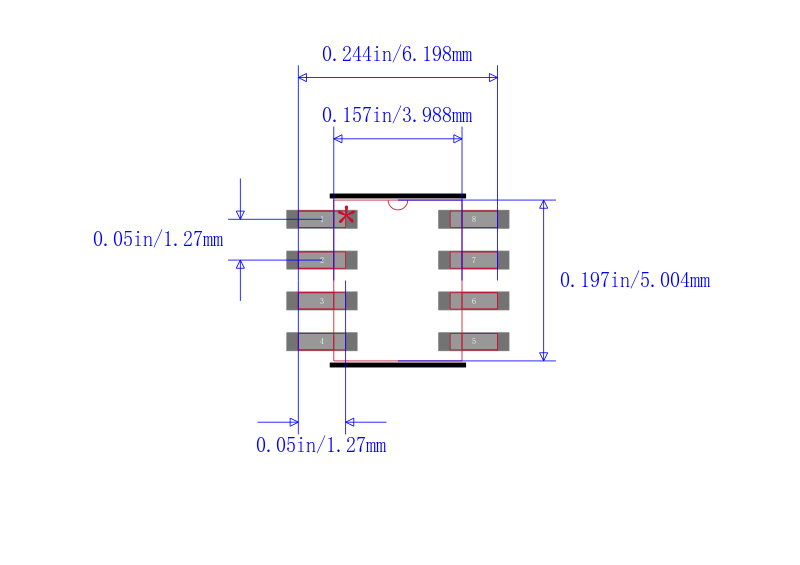
引脚数 8
封装 SOIC-8
封装 SOIC-8
工作温度 0℃ ~ 125℃
产品生命周期 Active
包装方式 Tube
RoHS标准 RoHS Compliant
含铅标准 Lead Free



| 型号/品牌 | 代替类型 | 替代型号对比 |
|---|---|---|
UA78L12ACDG4 TI 德州仪器 | 当前型号 | 当前型号 |
UA78L12ACDR 德州仪器 | 完全替代 | UA78L12ACDG4和UA78L12ACDR的区别 |
UA78L12ACD 德州仪器 | 类似代替 | UA78L12ACDG4和UA78L12ACD的区别 |
MC78L12ACDR2G 安森美 | 功能相似 | UA78L12ACDG4和MC78L12ACDR2G的区别 |