













电流模式PWM控制器 Current Mode PWM Controller
升压,降压,反激,正激 稳压器 正,可提供隔离 输出 升压,降压,升压/降压 - DC DC 切换控制器 IC 8-SOIC
得捷:
IC REG CTRLR MULT TOPOLOGY 8SOIC
立创商城:
降压型 升降压型 升压型 7.6V~30V 500kHz
艾睿:
Current Mode PWM Controller 1A 8-Pin SOIC T/R
安富利:
Current Mode PWM Controller 1A 8-Pin SOIC T/R
Newark:
# TEXAS INSTRUMENTS UC2843AD8TRG4 Current Mode PWM Controller, 12V-25V supply, 15V/200mA out, 450 kHz, SOIC-8
德州仪器TI:
30-V, 1-A, 500KHz current mode PWM controller with 8.4V/7.6V UVLO 100% duty cycle 40°C to 85°C
频率 450 kHz
电源电压DC 12.0V min
输出接口数 1
输入电压DC 25.0 V
输出电压 15 V
输出电流 200 mA
调节输出数 1
上升时间 50 ns
开关频率 500 kHz
拓扑结构 Boost, Flyback, Forward
最大占空比 0.96
下降时间 50 ns
工作温度Max 85 ℃
工作温度Min -40 ℃
电源电压Max 25 V
电源电压Min 12 V
输入电压 25 V
安装方式 Surface Mount
引脚数 8
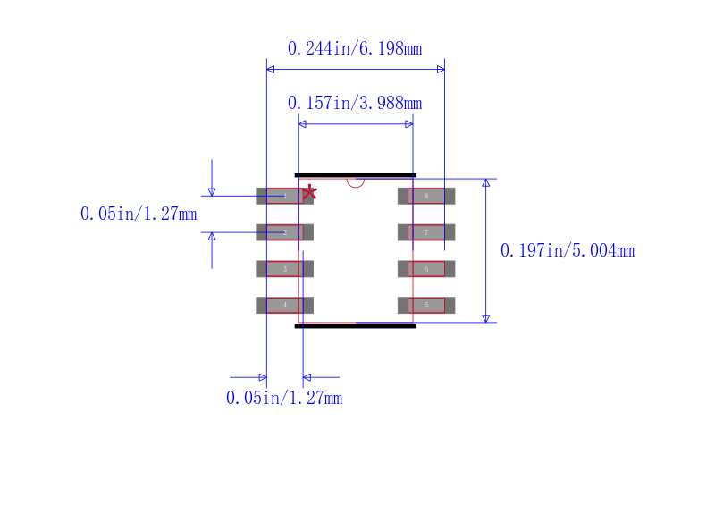
封装 SOIC-8
封装 SOIC-8
工作温度 -40℃ ~ 85℃ TA
产品生命周期 Active
包装方式 Tape & Reel TR
RoHS标准 RoHS Compliant
含铅标准 Lead Free
REACH SVHC版本 2015/06/15



| 型号/品牌 | 代替类型 | 替代型号对比 |
|---|---|---|
UC2843AD8TRG4 TI 德州仪器 | 当前型号 | 当前型号 |
UC2843AN 德州仪器 | 完全替代 | UC2843AD8TRG4和UC2843AN的区别 |
UC2845AD8 德州仪器 | 完全替代 | UC2843AD8TRG4和UC2845AD8的区别 |
UC2845ANG4 德州仪器 | 完全替代 | UC2843AD8TRG4和UC2845ANG4的区别 |