








UT 系列### 表面安装 105°C 系列
UT 系列
得捷:
CAP ALUM 33UF 20% 25V SMD
立创商城:
33uF ±20% 25V
欧时:
Nichicon 铝电解电容器 UT 系列 25V dc 33μF 表面安装器件 UUT1E330MCL1GS, ±20%容差, 最高+105°C
艾睿:
Cap Aluminum Lytic 33uF 25V 20% 6.3 X 5.8mm SMD 48mA 2000h 105°C Automotive T/R
Allied Electronics:
33uF 25 V Aluminium Electrolytic Capacitor, UT Series 2000h 6.3 Dia. x 6mm
安富利:
Cap Aluminum 33uF 25V 20% 6.3 X 5.8mm SMD 48mA 2000 hr 105°C T/R
Chip1Stop:
Cap Aluminum Lytic 33uF 25V 20% 6.3 X 5.8mm SMD 115mA 1000h 105℃ T/R
Verical:
Cap Aluminum Lytic 33uF 25V 20% 6.3 X 5.8mm SMD 48mA 2000h 105C Automotive T/R
额定电压DC 25 V
电容 33 µF
容差 ±20 %
产品系列 UUT
纹波电流 48 mA
纹波电流高频 48mA @120Hz
纹波电流低频 72mA @10kHz
工作温度Max 105 ℃
工作温度Min -55 ℃
额定电压 25 VDC
安装方式 Surface Mount
封装 SMD
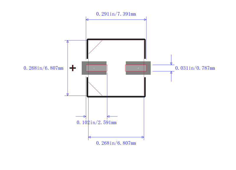
长度 6.6 mm
宽度 6.6 mm
高度 5.8 mm
直径 Φ6.3mm
封装 SMD
工作温度 -55℃ ~ 105℃
产品生命周期 Active
包装方式 Tape & Reel TR
最小包装 1000
寿命(小时) 2000 h
制造应用 通用
RoHS标准 RoHS Compliant
含铅标准 Lead Free



| 型号/品牌 | 代替类型 | 替代型号对比 |
|---|---|---|
UUT1E330MCL1GS Nichicon 尼吉康 | 当前型号 | 当前型号 |
UUA1E330MCL1GS 尼吉康 | 类似代替 | UUT1E330MCL1GS和UUA1E330MCL1GS的区别 |
UWZ1E330MCL1GS 尼吉康 | 类似代替 | UUT1E330MCL1GS和UWZ1E330MCL1GS的区别 |
UWT1E330MCL1GB 尼吉康 | 功能相似 | UUT1E330MCL1GS和UWT1E330MCL1GB的区别 |