




47uF ±20% 10V Φ6.3mm 5.8mm
铝电解器 径向,Can - SMD - 105°C 时为 3000 小时
得捷:
CAP ALUM 47UF 20% 10V SMD
立创商城:
47uF ±20% 10V
艾睿:
Cap Aluminum Lytic 47uF 10V 20% 6.3 X 5.8mm SMD 50mA 3000h 105°C Automotive T/R
安富利:
Cap Aluminum 47uF 10V 20% 6.3 X 5.8mm Cylindrical 50mA 3000 hr 105°C T/R
Chip1Stop:
Cap Aluminum Lytic 47uF 10V 20% 6.3 X 5.8mm SMD 50mA 3000h 105℃ T/R
Verical:
Cap Aluminum Lytic 47uF 10V 20% 6.3 X 5.8mm SMD 50mA 3000h 105C Automotive T/R
额定电压DC 10.0 V
电容 47 µF
容差 ±20 %
产品系列 UUA
纹波电流 50 mA
纹波电流高频 50mA @120Hz
纹波电流低频 75mA @10kHz
工作温度Max 105 ℃
工作温度Min -55 ℃
额定电压 10 V
安装方式 Surface Mount
引脚数 2
封装 SMD
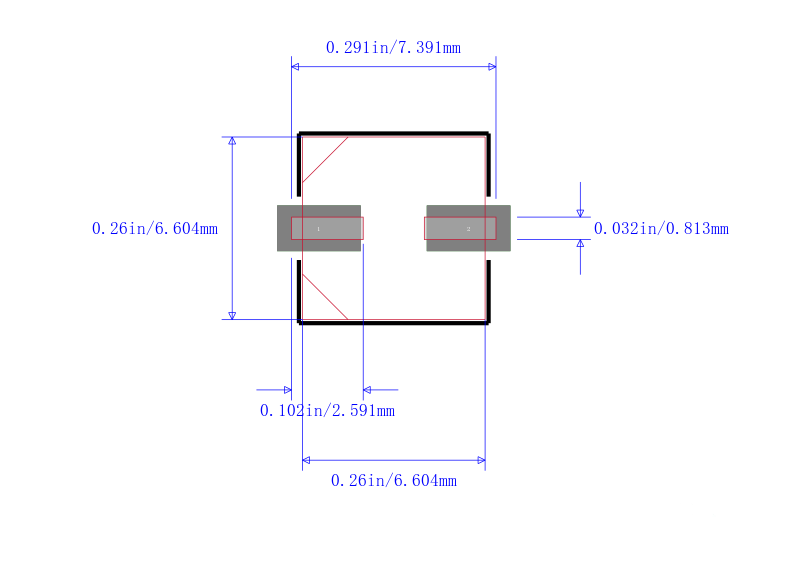
高度 5.8 mm
直径 6.30 mm
封装 SMD
工作温度 -55℃ ~ 105℃
产品生命周期 Active
包装方式 Tape & Reel TR
最小包装 1000
寿命(小时) 3000 h
制造应用 通用
RoHS标准 RoHS Compliant
含铅标准 Lead Free



| 型号/品牌 | 代替类型 | 替代型号对比 |
|---|---|---|
UUA1A470MCL1GS Nichicon 尼吉康 | 当前型号 | 当前型号 |
UWT1A470MCL1GB 尼吉康 | 类似代替 | UUA1A470MCL1GS和UWT1A470MCL1GB的区别 |
UUT1A470MCL1GS 尼吉康 | 类似代替 | UUA1A470MCL1GS和UUT1A470MCL1GS的区别 |
UUA1C470MCL1GS 尼吉康 | 功能相似 | UUA1A470MCL1GS和UUA1C470MCL1GS的区别 |