



10uF ±20% 50V Φ6.3mm 5.8mm
CAP ALUM 10UF 20% 50V SMD
立创商城:
10uF ±20% 50V
得捷:
CAP ALUM 10UF 20% 50V SMD
艾睿:
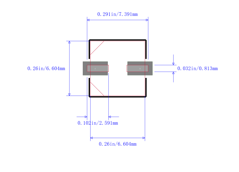
Using this electrolytic UUA1H100MCL1GS aluminum capacitor from Nichicon in your electronic circuit you&s;ll be able to generate high heat for a given current level due to its relatively high equivalent series resistance. It can withstand a voltage of 50 VDC. This aluminum electrolytic capacitor has a maximum operating temperature of 105 °C. Its capacitance value is 10uF. Its leakage current is 5@2Min μA. This product is 5.8 mm tall with a diameter of 6.3 mm. It has a tolerance of 20%.
安富利:
Cap Aluminum 10uF 50V 20% 6.3 X 5.8mm SMD 32mA 3000 hr 105°C T/R
Chip1Stop:
Cap Aluminum Lytic 10uF 50V 20% 6.3 X 5.8mm SMD 165mA 2000h 105℃ T/R
Verical:
Cap Aluminum Lytic 10uF 50V 20% 6.3 X 5.8mm SMD 32mA 3000h 105C Automotive T/R



| 型号/品牌 | 代替类型 | 替代型号对比 |
|---|---|---|
UUA1H100MCL1GS Nichicon 尼吉康 | 当前型号 | 当前型号 |
UCD1H100MCL1GS 尼吉康 | 类似代替 | UUA1H100MCL1GS和UCD1H100MCL1GS的区别 |
UWT1H100MCL1GB 尼吉康 | 功能相似 | UUA1H100MCL1GS和UWT1H100MCL1GB的区别 |
UUD1H100MCL1GS 尼吉康 | 功能相似 | UUA1H100MCL1GS和UUD1H100MCL1GS的区别 |