UC1843AVTD2

UC1843AVTD2概述

Current Mode PWM Controller 5V 1A 21Pin DIE Waffle Pack

升压,降压,反激,正激 稳压器 正,可提供隔离 输出 升压,升压/降压 - DC DC 切换控制器 IC 模具


得捷:
UC1843AVTD2


艾睿:
Current Mode PWM Controller


安富利:
Current Mode PWM Controller 5V 1A 21-Pin DIE Waffle Pack


UC1843AVTD2中文资料参数规格
技术参数

输出接口数 1

输出电压 5 V

输出电流 1000 mA

上升时间 50 ns

开关频率 500 kHz

最大占空比 100 %

下降时间 50 ns

封装参数

引脚数 22

封装 DIE

外形尺寸

封装 DIE

物理参数

工作温度 -55℃ ~ 125℃ TA

其他

产品生命周期 Active

包装方式 Tube

符合标准

RoHS标准 RoHS Compliant

含铅标准 Contains Lead

数据手册

UC1843AVTD2引脚图与封装图
UC1843AVTD2引脚图
UC1843AVTD2封装图
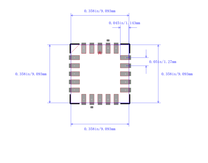
UC1843AVTD2封装焊盘图
在线购买UC1843AVTD2
型号: UC1843AVTD2
制造商: TI 德州仪器
描述:Current Mode PWM Controller 5V 1A 21Pin DIE Waffle Pack

 锐单商城 - 一站式电子元器件采购平台  

 深圳锐单电子有限公司