


高性能电流模式控制器 HIGH PERFORMANCE CURRENT MODE CONTROLLERS
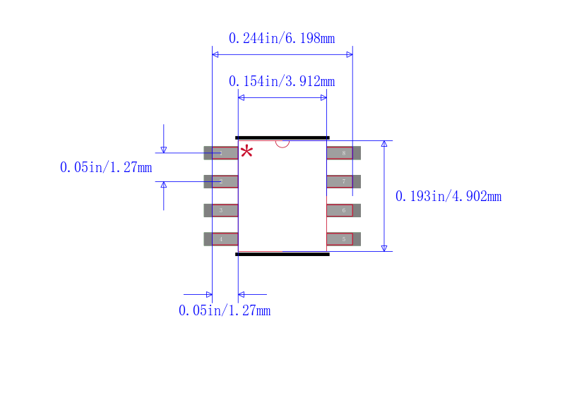
反激,升压 稳压器 正,可提供隔离 输出 升压,升压/降压 - DC DC 切换控制器 IC 14-SOIC
得捷:
IC REG CTRLR BOOST/FLYBK 14SOIC
Chip1Stop:
Current Mode PWM Controller 1A 14-Pin SOIC N Rail



| 型号/品牌 | 代替类型 | 替代型号对比 |
|---|---|---|
UC3845BD ON Semiconductor 安森美 | 当前型号 | 当前型号 |
UC3845BDG 安森美 | 类似代替 | UC3845BD和UC3845BDG的区别 |