









TAIYO YUDEN UMK105CG331JV-F 多层陶瓷电容, 330pF, 50VDC, 0402
MLCC-多层陶瓷器
立创商城:
330pF ±5% 50V
得捷:
CAP CER 330PF 50V NP0 0402
e络盟:
陶瓷电容, 330pF 50V, C0G, 5%, 0402
Verical:
Cap Ceramic 330pF 50V C0G 5% Pad SMD 0402 125C T/R
Newark:
# TAIYO YUDEN UMK105CG331JV-F SMD Multilayer Ceramic Capacitor, 0402 [1005 Metric], 330 pF, 50 V, ± 5%, C0G / NP0, M Series
MASTER:
Multi Layer Ceramic Capacitor - SMD - 330pF ±5% - 50VDC - C0G - 0402 - Tape&Reel
Online Components:
Cap Ceramic 330pF 50V C0G 5% Pad SMD 0402 125°C T/R
Win Source:
CAP CER 330PF 50V NP0 0402
Electro Sonic:
Multi Layer Ceramic Capacitor - SMD - 330pF ±5% - 50VDC - C0G - 0402 - Tape&Reel
额定电压DC 50.0 V
绝缘电阻 10 GΩ
电容 330 pF
容差 ±5 %
无卤素状态 Halogen Free
电介质特性 C0G/NP0
工作温度Max 125 ℃
工作温度Min -55 ℃
额定电压 50 V
安装方式 Surface Mount
引脚数 2
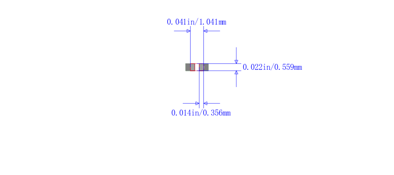
封装公制 1005
封装 0402
长度 1 mm
宽度 0.5 mm
高度 0.5 mm
封装公制 1005
封装 0402
厚度 0.5 mm
材质 -CG/-55℃~+125℃
工作温度 -55℃ ~ 125℃
产品生命周期 Active
包装方式 Tape & Reel TR
最小包装 10000
制造应用 通用
RoHS标准 RoHS Compliant
含铅标准 Lead Free
ECCN代码 EAR99
HTS代码 8532240020



| 型号/品牌 | 代替类型 | 替代型号对比 |
|---|---|---|
UMK105CG331JV-F Taiyo Yuden 太诱 | 当前型号 | 当前型号 |
GRM1555C1H331JA01D 村田 | 完全替代 | UMK105CG331JV-F和GRM1555C1H331JA01D的区别 |
UMK105CG331JVHF 太诱 | 完全替代 | UMK105CG331JV-F和UMK105CG331JVHF的区别 |
CL05C331JB5NNNC 三星 | 类似代替 | UMK105CG331JV-F和CL05C331JB5NNNC的区别 |