








STMicroelectronics智能电源开关 IPS 将控制截面的逻辑接口、驱动器、诊断和保护功能与高侧和高侧配置的功率级集成。### 电源和负载开关,Toshiba集成高侧和低侧智能电源开关电路包含很多功能性和保护特征,如过电流、过电压、短路、断路负载、过温度和电源逆转。 这些高度集成设备利用低接通电阻 MOSFET 晶体管,以最小化功耗并保持高效率。
智能高侧电源开关,STMicroelectronics
智能电源开关 IPS 将控制截面的逻辑接口、驱动器、诊断和保护功能与高侧和高侧配置的功率级集成。
### 智能电源开关,STMicroelectronics
得捷:
IC PWR DRIVER N-CHAN 1:1 PWRSO10
欧时:
### 智能高侧电源开关,STMicroelectronics智能电源开关 IPS 将控制截面的逻辑接口、驱动器、诊断和保护功能与高侧和高侧配置的功率级集成。### 智能电源开关,STMicroelectronics
立创商城:
VN340SPTR E
贸泽:
门驱动器 Quad HiSide smart Pwr Solid St Relay
艾睿:
Who knew safely switching between various voltage levels in an electronic circuit would be so easy with this high side VN340SPTR-E power switch by STMicroelectronics. This charge controller has 4 outputs. It features 0.4Max Ohm switch on resistance. This device has a supply current of 6Max mA and a minimum output current of 0.7Max A. This component will be shipped in tape and reel packaging to allow for effective mounting and safe delivery.
安富利:
Power Switch Hi Side 0.7A 10-Pin10+2Tab PowerSO T/R
富昌:
VN330SP Series Quad Channel 36V 0.44 Ohm Current Limit Switch - POWERSO-10
Chip1Stop:
Power Switch Hi Side 0.7A 10-Pin10+2Tab PowerSO T/R
Verical:
Current Limit SW 4-IN 4-OUT to 2A 12-Pin10+2Tab PowerSO T/R
儒卓力:
**4xHSS 200mOhm 36V PowerSO10 SMD **
DeviceMart:
IC SSR QUAD SMART 10-POWERSOIC
输出接口数 4
输出电流 700 mA
供电电流 6 mA
针脚数 10
上升时间 250 µs
输出电流Max 700 mA
输出电流Min 0.7 A
输入数 4
下降时间 20 µs
工作温度Max 125 ℃
工作温度Min -40 ℃
电源电压 10V ~ 36V
电源电压Max 36 V
电源电压Min 10 V
输入电压 10V ~ 36V
安装方式 Surface Mount
引脚数 10
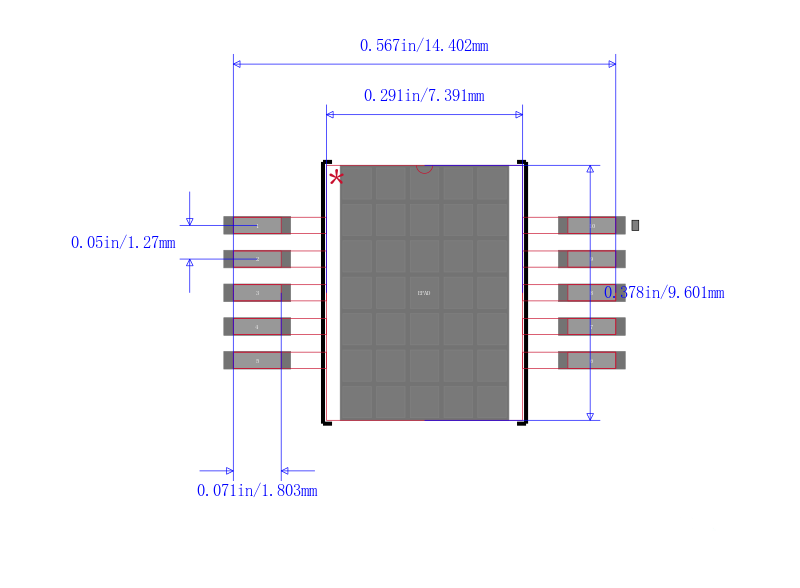
封装 PowerSO-10
长度 7.6 mm
宽度 9.5 mm
高度 3.65 mm
封装 PowerSO-10
工作温度 -40℃ ~ 125℃ TJ
产品生命周期 Active
包装方式 Tape & Reel TR
RoHS标准 RoHS Compliant
含铅标准 Lead Free
ECCN代码 EAR99



| 型号/品牌 | 代替类型 | 替代型号对比 |
|---|---|---|
VN340SPTR-E ST Microelectronics 意法半导体 | 当前型号 | 当前型号 |
VN340SP-E 意法半导体 | 完全替代 | VN340SPTR-E和VN340SP-E的区别 |