







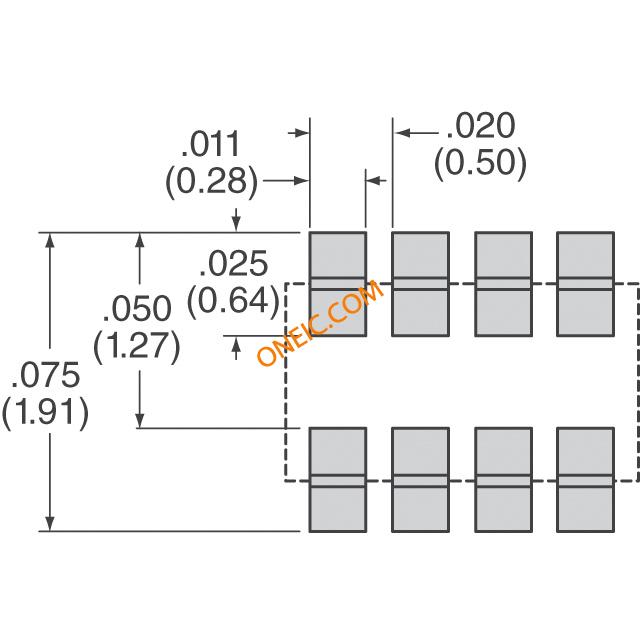
电容, IDC 低电感值 0.47UF 10VDC 20%
±20% 10V 陶瓷器 X7R 0508(1220 公制)
贸泽:
Capacitor Arrays & Networks 0508 0.47uF 10volts X7R 20%
e络盟:
电容, IDC 低电感值 0.47UF 10VDC 20%
艾睿:
Cap Ceramic 0.47uF 10V X7R 20% Wide Terminal SMD 0508 125°C T/R
安富利:
Cap IDC Low Inductance 0.47uF 10V 20% SMD 0508 125°C T/R
| 型号/品牌 | 代替类型 | 替代型号对比 |
|---|---|---|
W2L1ZC474MAT1A AVX 艾维克斯 | 当前型号 | 当前型号 |
W2L1ZC474MAT1S 艾维克斯 | 类似代替 | W2L1ZC474MAT1A和W2L1ZC474MAT1S的区别 |
0508ZC474MAT2V 艾维克斯 | 功能相似 | W2L1ZC474MAT1A和0508ZC474MAT2V的区别 |
0508ZC474MAT2A 艾维克斯 | 功能相似 | W2L1ZC474MAT1A和0508ZC474MAT2A的区别 |