










EXAR XR8051ASO8MTR 运算放大器, 单路, 175 MHz, 1个放大器, 190 V/µs, 2.7V 至 12.6V, SOIC, 8 引脚
XR8051/XR8052/XR8054,高速轨对轨输出放大器,EXAR
175 MHz 带宽
完全指定在 +3 V、+5 V 和 ±5 V 电源电压下工作
输入电压范围:-300 mV 至 +4.1 V +5 V
190 V/μs 转换速率
### ,EXAR
欧时:
### XR8051/XR8052/XR8054,高速轨对轨输出放大器,EXAR175 MHz 带宽 完全指定在 +3 V、+5 V 和 ±5 V 电源电压下工作 输入电压范围:-300 mV 至 +4.1 V +5 V 190 V/μs 转换速率 ### 运算放大器,EXAR
e络盟:
EXAR XR8051ASO8MTR 运算放大器, 单路, 175 MHz, 1个放大器, 190 V/µs, 2.7V 至 12.6V, SOIC, 8 引脚
艾睿:
OP Amp Single Volt Fdbk R-R O/P
Allied Electronics:
Operational Amplifier Voltage Feedback 65MHz Rail-Rail; 3-5 V; 8-Pin SOIC
输出电流 100mA @5V
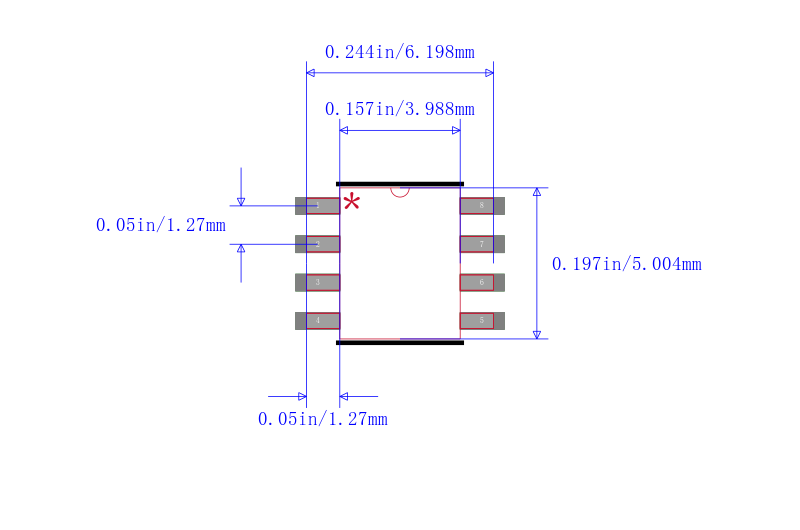
针脚数 8
带宽 175 MHz
转换速率 190 V/μs
增益频宽积 65 MHz
工作温度Max 125 ℃
工作温度Min -40 ℃
增益带宽 65 MHz
共模抑制比Min 71dB ~ 75dB
电源电压 2.7V ~ 12.6V
电源电压Max 12.5V ~ 15V
安装方式 Surface Mount
引脚数 8
封装 SOIC
长度 4.98 mm
宽度 3.99 mm
高度 1.48 mm
封装 SOIC
工作温度 -40℃ ~ 125℃
产品生命周期 Active
包装方式 Cut Tape CT
RoHS标准 RoHS Compliant


