
















INTERSIL X9C104SZ 非易失性数字电位器, 100 kohm, 单, 3线, 串行, 线性, ± 20%, 4.5 V
The is a Digitally Controlled Potentiometer consists of a resistor array, wiper switches, a control section and non-volatile memory. The wiper position is controlled by a three-wire interface. The potentiometer is implemented by a resistor array composed of 99 resistive elements and a wiper switching network. Between each element and at either end are tap points accessible to the wiper terminal. The position of the wiper element is controlled by the CS, U/D and INC inputs. The position of the wiper can be stored in non-volatile memory and then be recalled upon a subsequent power-up operation. The device can be used as a three-terminal potentiometer or as a two-terminal variable resistor in a wide variety of applications.
电源电压DC 4.50V min
容差 ±20 %
电路数 1
通道数 1
针脚数 100
电阻 100 kΩ
阻值偏差 ±20 %
工作温度Max 70 ℃
工作温度Min 0 ℃
电源电压 4.5V ~ 5.5V
电源电压Max 5.5 V
电源电压Min 4.5 V
安装方式 Surface Mount
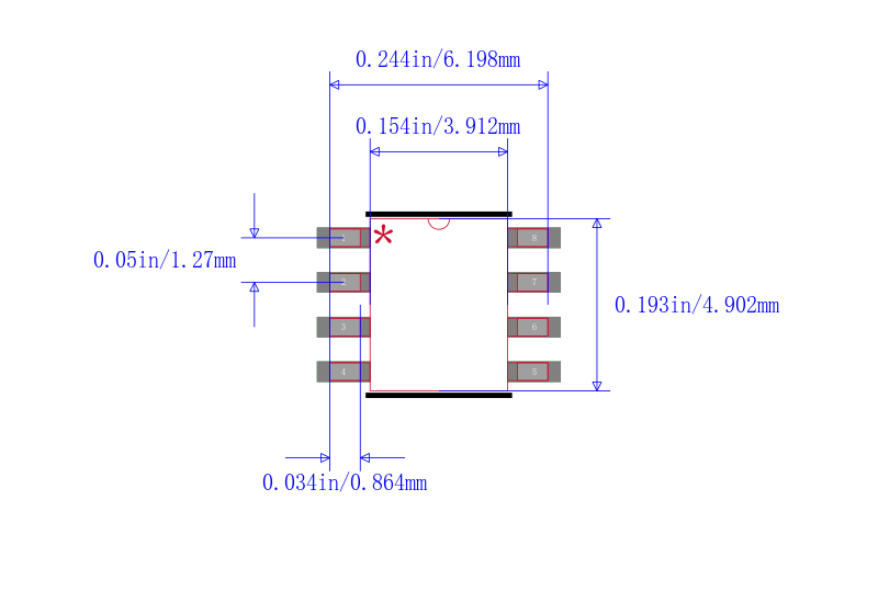
引脚数 8
封装 SOIC-8
长度 5 mm
宽度 4 mm
高度 1.5 mm
封装 SOIC-8
工作温度 0℃ ~ 70℃
温度系数 ±300 ppm/℃
产品生命周期 Active
包装方式 Each
制造应用 Automation & Process Control, Signal Processing
RoHS标准 RoHS Compliant
含铅标准 Lead Free
REACH SVHC标准 No SVHC
REACH SVHC版本 2015/06/15
ECCN代码 EAR99



| 型号/品牌 | 代替类型 | 替代型号对比 |
|---|---|---|
X9C104SZ Intersil 英特矽尔 | 当前型号 | 当前型号 |
X9C104SI-Z 英特矽尔 | 完全替代 | X9C104SZ和X9C104SI-Z的区别 |
X9C104SIZT1 英特矽尔 | 类似代替 | X9C104SZ和X9C104SIZT1的区别 |
X9C104SI 英特矽尔 | 类似代替 | X9C104SZ和X9C104SI的区别 |