XRD54L12AIDTR-F

XRD54L12AIDTR-F图片1
XRD54L12AIDTR-F图片2
XRD54L12AIDTR-F图片3
XRD54L12AIDTR-F中文资料参数规格
技术参数

位数 12

数模转换数DAC 1

电源电压Max 3.5 V

电源电压Min 2.5 V

封装参数

封装 SOIC-8

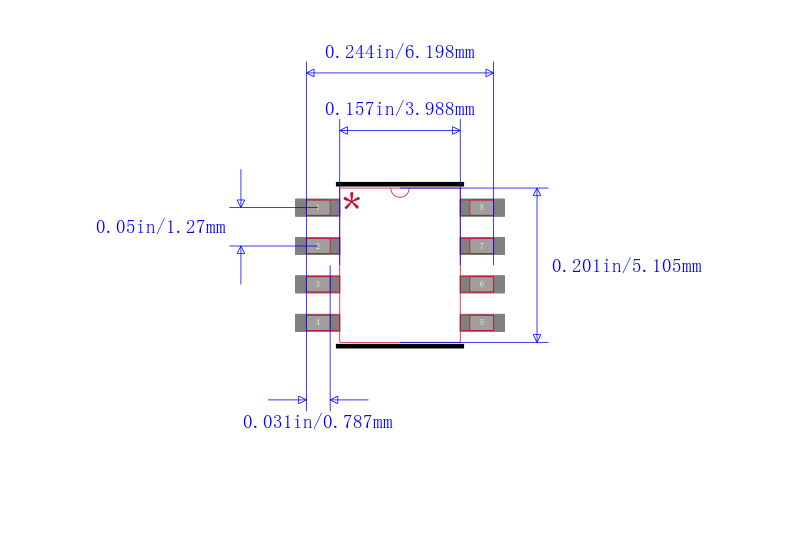
外形尺寸

封装 SOIC-8

物理参数

工作温度 -40℃ ~ 85℃

其他

包装方式 Tape & Reel TR

符合标准

RoHS标准 RoHS Compliant

含铅标准 Lead Free

数据手册

XRD54L12AIDTR-F引脚图与封装图
XRD54L12AIDTR-F引脚图
XRD54L12AIDTR-F封装图
XRD54L12AIDTR-F封装焊盘图
在线购买XRD54L12AIDTR-F
型号: XRD54L12AIDTR-F
制造商: Exar Corporation 艾科嘉
描述:DAC 1CH Resistor-String 12Bit 8Pin SOIC N T/R

 锐单商城 - 一站式电子元器件采购平台  

 深圳锐单电子有限公司