









电阻器网络与阵列
器网络与阵列
得捷:
RES ARRAY 4 RES 270 OHM 1206
立创商城:
270Ω ±5% 0603x4
艾睿:
Res Thick Film Array 270 Ohm 5% ±200ppm/°C ISOL Epoxy 8-Pin 12064 X 0603 Convex SMD Automotive T/R
安富利:
Res Thick Film Array 270 Ohm 5% ±200ppm/°C ISOL Molded 8-Pin 12064 X 0603 Convex SMD Paper T/R
Chip1Stop:
Res Thick Film Array 270 Ohm 5% ±200ppm/℃ ISOL Molded 8-Pin 12064 X 0603 Convex SMD T/R
Verical:
Res Thick Film Array 270 Ohm 5% ±200ppm/C ISOL Epoxy 8-Pin 12064 X 0603 Convex SMD Automotive T/R
儒卓力:
**CN1206R4 270R 5% 0,063W CONVEX **
触点数 8
额定电压DC 50.0 V
容差 ±5 %
额定功率 0.063 W
电路数 4
产品系列 YC
电阻 270 Ω
阻值偏差 ±5 %
工作温度Max 155 ℃
工作温度Min -55 ℃
安装方式 Surface Mount
引脚数 8
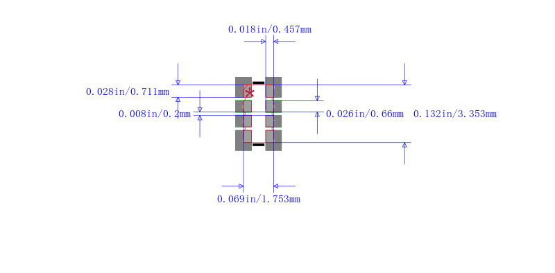
封装 1206
长度 3.2 mm
宽度 1.6 mm
高度 0.6 mm
封装 1206
工作温度 -55℃ ~ 155℃
温度系数 ±200 ppm/℃
产品生命周期 Active
包装方式 Tape & Reel TR
最小包装 5000
制造应用 DDRAM,SDRAM
RoHS标准 RoHS Compliant
含铅标准 Lead Free
ECCN代码 EAR99



| 型号/品牌 | 代替类型 | 替代型号对比 |
|---|---|---|
YC164-JR-07270RL Yageo 国巨 | 当前型号 | 当前型号 |
WA06X271 JTL 台湾华科 | 类似代替 | YC164-JR-07270RL和WA06X271 JTL的区别 |