





270kΩ ±5%
270k Ohm ±5% 62.5mW Power Per Element Isolated Resistor Network/Array ±200ppm/°C 1606, Convex, Long Side Terminals
立创商城:
YC248-JR-07270KL
得捷:
RES ARRAY 8 RES 270K OHM 1606
贸泽:
Resistor Networks & Arrays
艾睿:
Res Thick Film Array 270K Ohm 5% ±200ppm/°C ISOL Epoxy 16-Pin 16068 X 0602 Convex SMD T/R
触点数 16
额定电压DC 50.0 V
容差 ±5 %
额定功率 0.0625 W
电路数 8
产品系列 YC
电阻 270 kΩ
阻值偏差 ±5 %
工作温度Max 155 ℃
工作温度Min -55 ℃
安装方式 Surface Mount
引脚数 16
封装 SMD
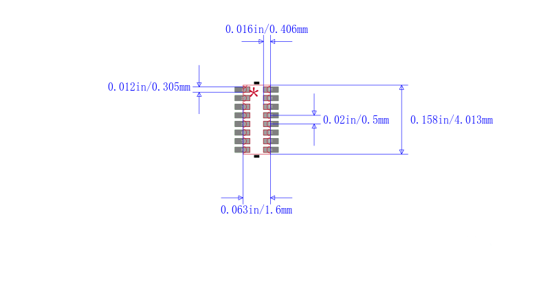
长度 4.00 mm
宽度 1.60 mm
高度 0.45 mm
封装 SMD
工作温度 -55℃ ~ 155℃
温度系数 ±200 ppm/℃
产品生命周期 Active
包装方式 Tape & Reel TR
最小包装 5000
制造应用 DDRAM,SDRAM
RoHS标准 RoHS Compliant
含铅标准 Lead Free


