

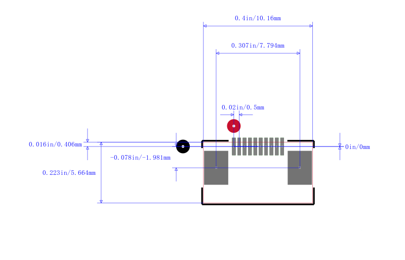
Conn FFC Connector SKT 10POS 0.5mm Solder RA SMD
10 位置 FFC 触头,垂直 - 单侧 0.020"(0.50mm) 表面贴装型
欧时:
ZIF Conn. for FFC 0.50 mm .0197"
得捷:
ZERO INSERTION FORCE .5MM ASSEMB
艾睿:
Conn FFC Connector SKT 10 POS 0.5mm Solder RA SMD Tube
安富利:
Conn FFC Connector SKT 10 POS 0.5mm Solder RA SMD


