








额定电压DC 125 V
额定电压AC 125 V
额定电流 2 A
电阻 0.0468 Ω
工作温度Max 125 ℃
工作温度Min -55 ℃
额定电压 125 kV
额定电压DC Max 125 V
额定电压AC Max 125 V
安装方式 Surface Mount
引脚数 2
封装 SMD
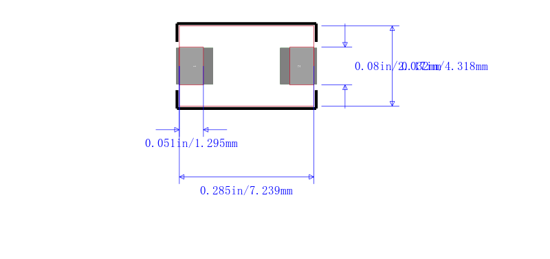
长度 7.24 mm
宽度 4.32 mm
高度 3.05 mm
封装 SMD
颜色 White
工作温度 -55℃ ~ 125℃
产品生命周期 Active
包装方式 Tape & Reel TR
RoHS标准 RoHS Compliant
含铅标准 Lead Free
REACH SVHC标准 No SVHC
REACH SVHC版本 2014/12/17



| 型号/品牌 | 代替类型 | 替代型号对比 |
|---|---|---|
0459002.UR Littelfuse 力特 | 当前型号 | 当前型号 |
0459002.ER 力特 | 类似代替 | 0459002.UR和0459002.ER的区别 |
0459002 力特 | 功能相似 | 0459002.UR和0459002的区别 |
0459002UR 力特 | 功能相似 | 0459002.UR和0459002UR的区别 |