



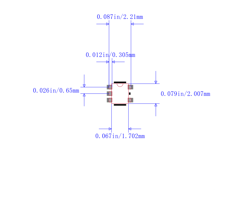
Inverter 1Element CMOS 5Pin SSOP
The inverting Schmitt trigger, developed by , is a great device for removing noise from an analog signal. This inverting Schmitt trigger has an operating temperature range of -40 °C to 85 °C. This device has a typical operating supply voltage of 2.5|3.3|5 V. Its minimum operating supply voltage of 2 V, while its maximum is 5.5 V.



| 型号/品牌 | 代替类型 | 替代型号对比 |
|---|---|---|
TC7SH04FU,LJCT Toshiba 东芝 | 当前型号 | 当前型号 |
TC7SH04FU,LJ 东芝 | 完全替代 | TC7SH04FU,LJCT和TC7SH04FU,LJ的区别 |
TC7SH04FUT5LJFT 东芝 | 类似代替 | TC7SH04FU,LJCT和TC7SH04FUT5LJFT的区别 |