






可插拔接线端子 PTSM 0,5/ 2-HH0-2,5- SMD WH R32
固态照明连接器 位置 接头,公引脚 板至电缆/导线 0.098"(2.50mm) 焊接
得捷:
CONN HEADER 2POS 2.5MM SMD
贸泽:
可插拔接线端子 PTSM 0,5/ 2-HH0-2,5- SMD WH R32
艾睿:
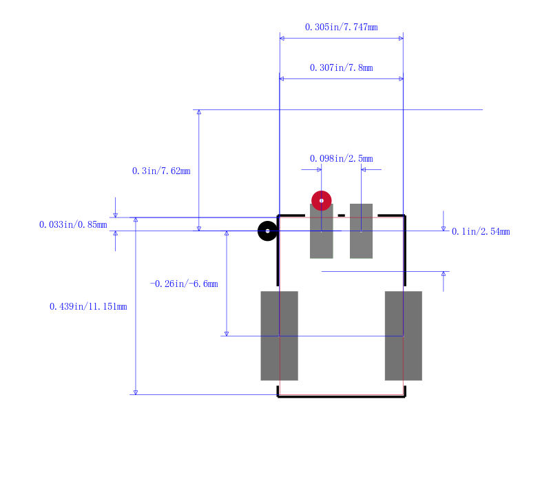
Protect your printed circuit boards from accidental damages with Phoenix Contact&s;s shrouded 1814919 header connector. This HDR connector has 2 contacts that are plated with tin. It has a right angle body orientation. This is a 1-row connector. Its pitch is 2.5 mm. It has a header type gender. It has a maximum voltage rating of 250 V. This device has a maximum current rating of 6 A. 1814919 is housed in white polyamide. This product is 8.65 mm long, 5 mm tall and 9.5 mm deep. It uses the solder termination method.
Allied Electronics:
Conn; TermBlk; PCB; Header; SnglLvl; SMD; 2Pole; 2.5mmPitch; White; 6A; 250V
Online Components:
Conn Shrouded Header HDR 2 POS 2.5mm Solder RA SMD T/R
Electro Sonic:
PCB headers - nominal current: 6 A - rated voltage III/2: 160 V - nominal cross section: 0.5 mm² - ...


