









64K SPI总线的低功耗串行SRAM 64K SPI Bus Low-Power Serial SRAM
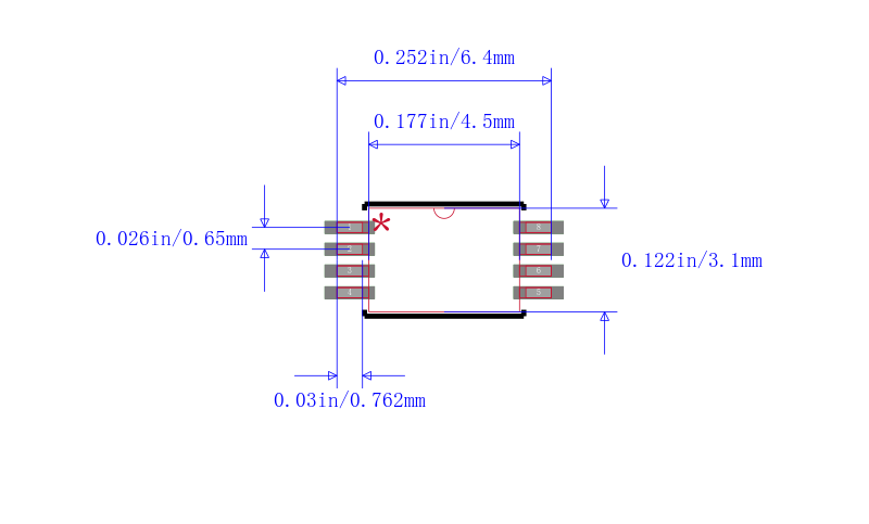
SRAM Memory IC 64Kb 8K x 8 SPI 20MHz 8-TSSOP
得捷:
IC SRAM 64KBIT SPI 20MHZ 8TSSOP
立创商城:
23K640T-I/ST
贸泽:
静态随机存取存储器 64K 8K X 8 2.7V SERIAL 静态随机存取存储器 IND
艾睿:
SRAM Chip Sync Single 3.3V 64K-Bit 8K x 8 25ns 8-Pin TSSOP T/R
Allied Electronics:
64K, 8K X 8 2.7V SERIAL SRAM, IND
安富利:
SRAM Chip Sync Single 3.3V 64K-Bit 8K x 8 25ns 8-Pin TSSOP T/R
Chip1Stop:
SRAM Chip Sync Single 3.3V 64K-bit 8K x 8 25ns 8-Pin TSSOP T/R



| 型号/品牌 | 代替类型 | 替代型号对比 |
|---|---|---|
23K640T-I/ST Microchip 微芯 | 当前型号 | 当前型号 |
23K640-I/SN 微芯 | 完全替代 | 23K640T-I/ST和23K640-I/SN的区别 |
23K640-I/ST 微芯 | 完全替代 | 23K640T-I/ST和23K640-I/ST的区别 |
23K640T-I/SN 微芯 | 完全替代 | 23K640T-I/ST和23K640T-I/SN的区别 |