


















MICROCHIP 24LC02B-I/SNG 存储芯片, EEPROM, 2K, I2C, 400KHZ, SOIC-8
24AA02/24LC02B I²C™ 串行 EEPROM
24AA02/24LC02B 系列设备 2 Kbit I²C™ 串行 EEPROM 提供各种封装、温度和电源变型。
### 特点
单电源,操作降低至 1.7V(24AA02 设备),2.5V(24LC02B 设备)
低功率 CMOS 技术:读取电流 1 mA(最大),待机电流 1 μA(最大)
2 线串行接口,I2C® 兼容
Schmitt 触发器输入,用于噪音抑制
输出斜率控制,用于消除地面颤动
100 kHz 和 400 kHz 时钟兼容性
页面写入时间 3 ms(典型)
自定时擦除/写入周期
8 字节页面写入缓冲器
硬件写入保护
ESD 保护 >4,000V
超过 100 万个擦除/写入周期
数据保留 >200 年
### EEPROM 串行存取 - Microchip
频率 0.4 MHz
电源电压DC 5.00 V, 5.50 V max
供电电流 3 mA
针脚数 8
时钟频率 400 kHz
存取时间 900 ns
内存容量 250 B
存取时间Max 900 ns
工作温度Max 85 ℃
工作温度Min -40 ℃
电源电压 2.5V ~ 5.5V
电源电压Max 5.5 V
电源电压Min 2.5 V
安装方式 Surface Mount
引脚数 8
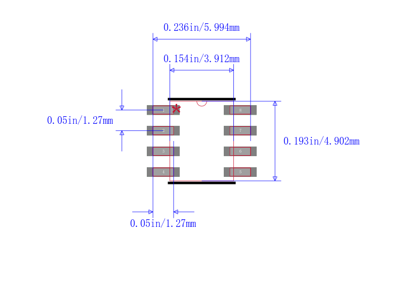
封装 SOIC-8
长度 4.9 mm
宽度 3.9 mm
高度 1.5 mm
封装 SOIC-8
工作温度 -40℃ ~ 85℃ TA
产品生命周期 Active
包装方式 Tube
RoHS标准 RoHS Compliant
含铅标准 Lead Free
REACH SVHC版本 2015/12/17
ECCN代码 EAR99



| 型号/品牌 | 代替类型 | 替代型号对比 |
|---|---|---|
24LC02B-I/SNG Microchip 微芯 | 当前型号 | 当前型号 |
24LC02B-I/SN 微芯 | 完全替代 | 24LC02B-I/SNG和24LC02B-I/SN的区别 |
24LC02BT-I/SN 微芯 | 完全替代 | 24LC02B-I/SNG和24LC02BT-I/SN的区别 |
24LC02B/SN 微芯 | 类似代替 | 24LC02B-I/SNG和24LC02B/SN的区别 |