




电可擦除可编程只读存储器 4K Serial 电可擦除可编程只读存储器 512 X 8, 1.8V
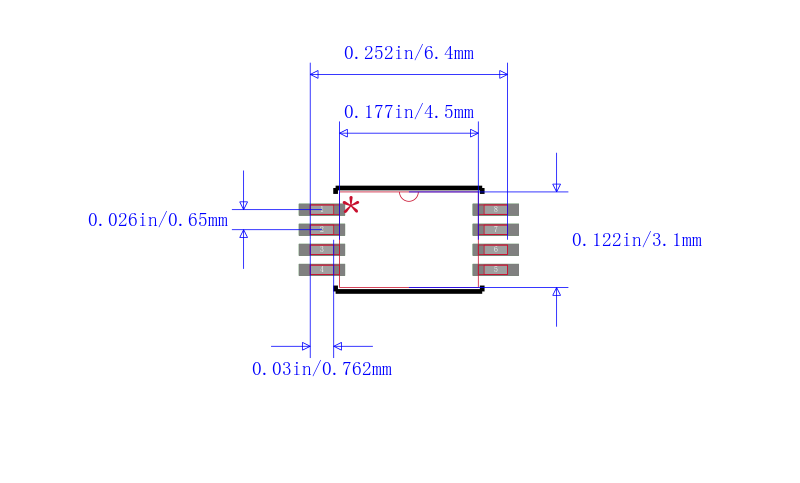
EEPROM Memory IC 4Kb 256 x 8 x 2 I²C 1MHz 400ns 8-TSSOP
得捷:
IC EEPROM 4KBIT I2C 1MHZ 8TSSOP
立创商城:
24AA044-E/ST
贸泽:
电可擦除可编程只读存储器 4K Serial 电可擦除可编程只读存储器 512 X 8, 1.8V
艾睿:
EEPROM Serial-I2C 4K-bit 256K x 8 2.5V/3.3V/5V Automotive 8-Pin TSSOP


