









32K I2C ™串行EEPROM ,具有四分之一阵列写保护 32K I2C™ Serial EEPROM with Quarter-Array Write-Protect
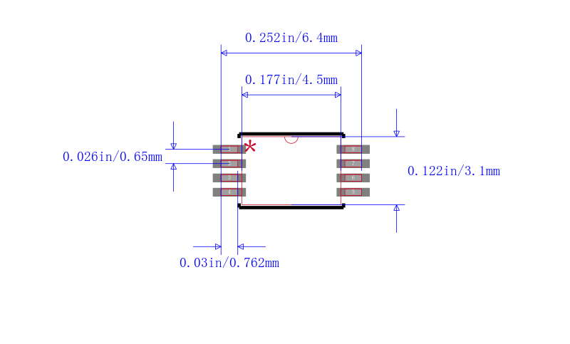
EEPROM Memory IC 32Kb 4K x 8 I²C 400kHz 900ns 8-TSSOP
得捷:
IC EEPROM 32KBIT I2C 8TSSOP
立创商城:
24AA32AF-I/ST
艾睿:
EEPROM Serial-I2C 32K-bit 4K x 8 1.8V/2.5V/3.3V/5V 8-Pin TSSOP
Allied Electronics:
32K, 4K X 8 1.8V SERIAL EE IND, 1/4 ARRAY WRITE PROTECT
Chip1Stop:
EEPROM Serial-I2C 32K-bit 4K x 8 1.8V/2.5V/3.3V/5V 8-Pin TSSOP
TME:
Memory; EEPROM; I2C; 4kx8bit; 1.7÷5.5V; 400kHz; TSSOP8



| 型号/品牌 | 代替类型 | 替代型号对比 |
|---|---|---|
24AA32AF-I/ST Microchip 微芯 | 当前型号 | 当前型号 |
24AA32A-I/MS 微芯 | 完全替代 | 24AA32AF-I/ST和24AA32A-I/MS的区别 |
24AA32AFT-I/ST 微芯 | 完全替代 | 24AA32AF-I/ST和24AA32AFT-I/ST的区别 |
25AA320A-I/MS 微芯 | 功能相似 | 24AA32AF-I/ST和25AA320A-I/MS的区别 |