









24AA32A系列 32kb I2C 4 kx8位 1.7V 串行 电可擦除PROM 表面贴装-MSOP-8
Description
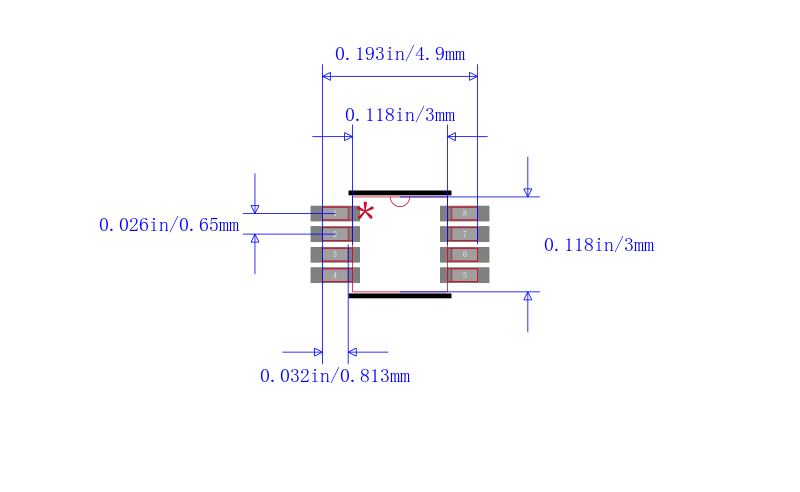
The Technology Inc. 24AA32A/24LC32A24XX32Ato 256 Kbits address space. The 24XX32A is available in the standard 8-pin PDIP, surface mount SOIC, TSSOP and MSOP packages.
Features
• Single supply with operation down to 1.8V
• Low-power CMOS technology
\- 1 mA active current typical
-1µA standby current max. I-temp
• Organized as 4 blocks of 8K bits 32K bit
• 2-wire serial interface bus, I2C™ compatible
• Cascadable for up to eight devices
• Schmitt Trigger inputs for noise suppression
• Output slope control to eliminate ground bounce
• 100 kHz <2.5V and 400 kHz ≥2.5Vcompatibility
• Self-timed write cycle including auto-erase
• Page write buffer for up to 32 bytes
• 2 ms typical write cycle time for page write
• Hardware write-protect for entire memory
• Can be operated as a serial ROM
• Factory programming QTP available
• ESD protection > 4,000V
• 1,000,000 erase/write cycles
• Data retention > 200 years
• 8-lead PDIP, SOIC, TSSOP and MSOP packages
• Standard and Pb-free finishes available
• Available temperature ranges:
\- Industrial I: -40°C to +85°C
\- Automotive E: -40°C to +125°C
频率 0.1 MHz
电源电压DC 5.00 V, 5.50 V max
供电电流 3 mA
时钟频率 400kHz max
存取时间 900 ns
内存容量 32000 B
存取时间Max 3500 ns
工作温度Max 85 ℃
工作温度Min -40 ℃
电源电压 1.8V ~ 5.5V
安装方式 Surface Mount
引脚数 8
封装 MSOP-8
封装 MSOP-8
工作温度 -40℃ ~ 85℃ TA
产品生命周期 Active
包装方式 Tape & Reel TR
RoHS标准 RoHS Compliant
含铅标准 Lead Free
ECCN代码 EAR99



| 型号/品牌 | 代替类型 | 替代型号对比 |
|---|---|---|
24AA32AT-I/MS Microchip 微芯 | 当前型号 | 当前型号 |
24AA32A-I/MS 微芯 | 类似代替 | 24AA32AT-I/MS和24AA32A-I/MS的区别 |
25AA320A-I/MS 微芯 | 类似代替 | 24AA32AT-I/MS和25AA320A-I/MS的区别 |
24LC32A-I/MS 微芯 | 类似代替 | 24AA32AT-I/MS和24LC32A-I/MS的区别 |