













MICROCHIP 24FC128-I/P 存储芯片, EEPROM, 128K, I2C, 1MHz, DIP-8
Description:
The Technology Inc. 24CXX, 24LCXX, 24AAXX and 24FCXX 24XXpackages are Pb-free Matte Tin finish.
Features:
• 128-bit through 512 Kbit devices
• Single supply with operation down to 1.7V for 24AAXX devices
• Low-power CMOS technology:
\- 1 mA active current, typical
-1μA standby current, typical I-temp
• 2-wire serial interface bus, I2C™ compatible
• Schmitt Trigger inputs for noise suppression
• Output slope control to eliminate ground bounce
• 100 kHz 1.7V and 400 kHz ≥ 2.5V compatibility
• 1 MHz for 24FCXX products
• Self-timed write cycle including auto-erase
• Page write buffer
• Hardware write-protect available on most devices
• Factory programming QTP available
• ESD protection > 4,000V
• 1 million erase/write cycles
• Data retention > 200 years
• 8-lead PDIP, SOIC, TSSOP and MSOP packages
• 5-lead SOT-23 package most 1-16 Kbit devices
• 8-lead 2x3mm and 5x6mm DFN packages available
• Pb-free and RoHS compliant
• Available for extended temperature ranges:
\- Industrial I: -40°C to +85°C
\- Automotive E: -40°C to +125°C
频率 1 MHz
电源电压DC 5.00 V, 5.50 V max
工作电压 2.5V ~ 5.5V
供电电流 3 mA
针脚数 8
时钟频率 1 MHz
存取时间 400 ns
内存容量 16000 B
存取时间Max 400 ns
工作温度Max 85 ℃
工作温度Min -40 ℃
电源电压 1.7V ~ 5.5V
电源电压Max 5.5 V
电源电压Min 1.7 V
安装方式 Through Hole
引脚数 8
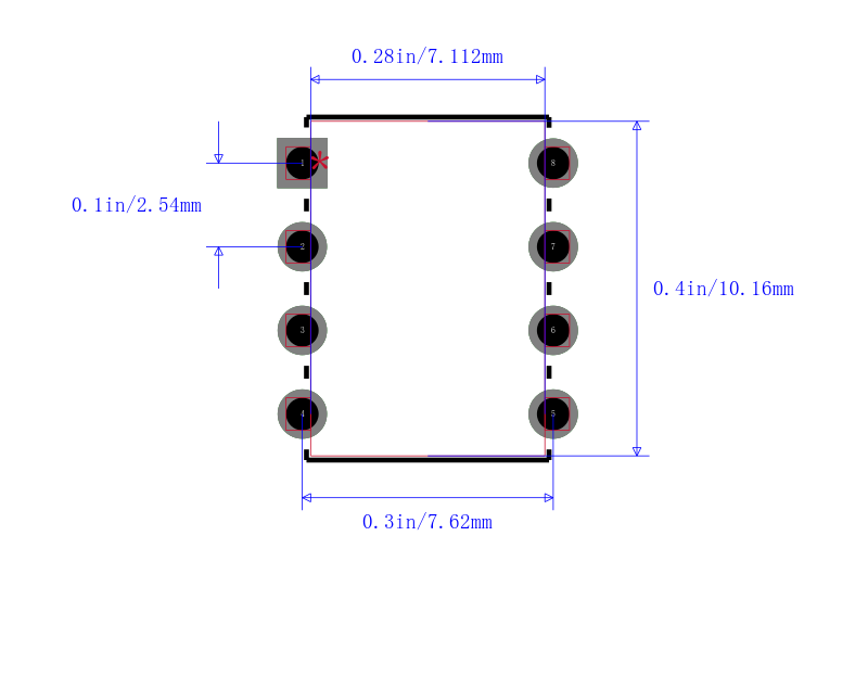
封装 DIP-8
封装 DIP-8
工作温度 -40℃ ~ 85℃
产品生命周期 Active
包装方式 Tube
RoHS标准 RoHS Compliant
含铅标准 Lead Free
REACH SVHC版本 2015/12/17
ECCN代码 EAR99



| 型号/品牌 | 代替类型 | 替代型号对比 |
|---|---|---|
24FC128-I/P Microchip 微芯 | 当前型号 | 当前型号 |
24LC128-I/P 微芯 | 类似代替 | 24FC128-I/P和24LC128-I/P的区别 |
24FC128-I/MS 微芯 | 类似代替 | 24FC128-I/P和24FC128-I/MS的区别 |
24AA128-I/P 微芯 | 类似代替 | 24FC128-I/P和24AA128-I/P的区别 |