











HEX缓冲器/带漏极开路输出驱动程序 HEX BUFFERS/DRIVERS WITH OPEN-DRAIN OUTPUTS
description/ordering information
These hex buffers/drivers are designed for 2-V to 5.5-V VCCoperation.
The ’LV07A devices perform the Boolean function Y = A in positive logic.
The open-drain outputs require pullup resistors to perform correctly and can be connected to other open-drain outputs to implement active-low wired-OR or active-high wired-AND functions.
2-V to 5.5-V VCCOperation
Typical VOLPOutput Ground Bounce <0.8 V at VCC = 3.3 V, TA= 25°C
Typical VOHVOutput VOHUndershoot >2.3 V at VCC = 3.3 V, TA= 25°C
Outputs Are Disabled During Power Up and Power Down With Inputs Tied to VCC
Support Mixed-Mode Voltage Operation on All Ports
Latch-Up Performance Exceeds 100 mA Per JESD 78, Class II
ESD Protection Exceeds JESD 22
− 2000-V Human-Body Model A114-A
− 200-V Machine Model A115-A
− 1000-V Charged-Device Model C101
电源电压DC 2.00V ~ 5.50V
输出接口数 6
通道数 6
位数 6
传送延迟时间 8.50 ns
电压波节 5.00 V, 3.30 V, 2.50 V
逻辑门个数 6
输出电流驱动 16.0 mA
输入数 6
工作温度Max 125 ℃
工作温度Min -40 ℃
电源电压 2V ~ 5.5V
电源电压Max 5.5 V
电源电压Min 2 V
安装方式 Surface Mount
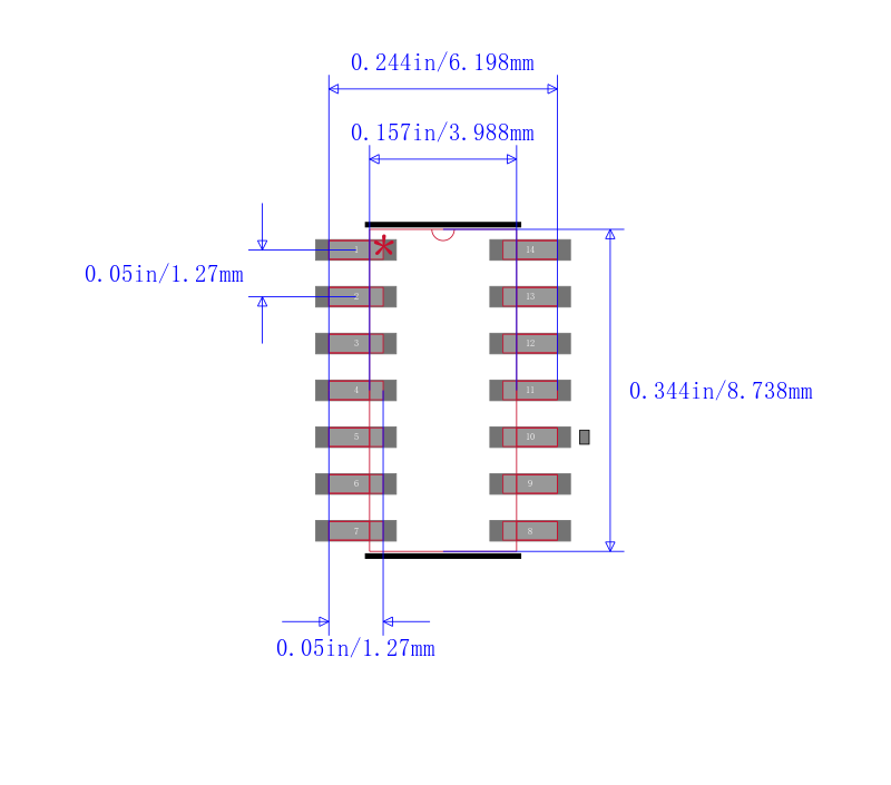
引脚数 14
封装 SOIC-14
长度 8.75 mm
宽度 4 mm
高度 1.5 mm
封装 SOIC-14
工作温度 -40℃ ~ 125℃ TA
产品生命周期 Active
包装方式 Tube
RoHS标准 RoHS Compliant
含铅标准 Lead Free



| 型号/品牌 | 代替类型 | 替代型号对比 |
|---|---|---|
SN74LV07ADG4 TI 德州仪器 | 当前型号 | 当前型号 |
SN74LV07ADR 德州仪器 | 类似代替 | SN74LV07ADG4和SN74LV07ADR的区别 |
SN74LV07AD 德州仪器 | 类似代替 | SN74LV07ADG4和SN74LV07AD的区别 |
SN74LV07ADRG4 德州仪器 | 类似代替 | SN74LV07ADG4和SN74LV07ADRG4的区别 |