






Res Thick Film NET 12KΩ 2% 1.28W ±100ppm/℃ ISOL Molded 16Pin SOM Gull Wing SMD Tube
12k 欧姆 ±2% 160mW 每元件功率 隔离 8 器网络,阵列 ±100ppm/°C 16-SOIC(0.220",5.59mm 宽)
立创商城:
12kΩ ±2%
得捷:
RES ARRAY 8 RES 12K OHM 16SOIC
艾睿:
Res Thick Film NET 12K Ohm 2% 1.28W ±100ppm/°C ISOL 16-Pin SOM Gull Wing SMD Automotive Tube
Verical:
Res Thick Film NET 12K Ohm 2% 1.28W ±100ppm/C ISOL 16-Pin SOM Gull Wing SMD Automotive Tube
Electro Sonic:
Res Thick Film NET 12K Ohm 2% 1.28W ±100ppm/°C ISOL Molded 16-Pin SOM Gull Wing SMD Tube
触点数 16
额定电压DC 50.0 V
容差 ±2 %
额定功率 1.28 W
电阻 12 KΩ
阻值偏差 ±2 %
工作温度Max 125 ℃
工作温度Min -55 ℃
安装方式 Surface Mount
引脚数 16
封装 SOIC-16
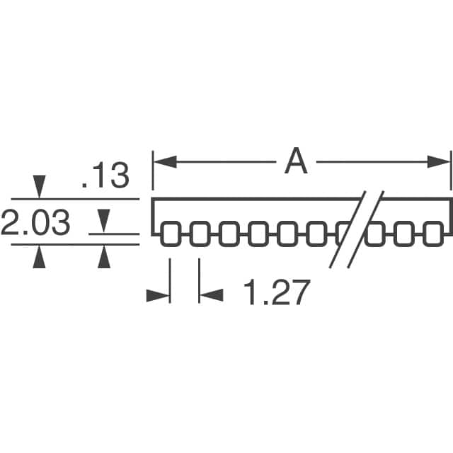
长度 12.4 mm
宽度 5.59 mm
高度 2.03 mm
封装 SOIC-16
厚度 2.03 mm
工作温度 -55℃ ~ 125℃
温度系数 ±100 ppm/℃
产品生命周期 Active
包装方式 Tube
制造应用 汽车级 AEC-Q200, 汽车级AEC-Q200
RoHS标准 Non-Compliant
含铅标准 Contains Lead