






瞬态电压抑制二极管 Transient Voltage Suppression Diodes
Description
The 5.0SMDJ series is designed specifically to protect sensitive electronic equipment from voltage transients induced by lightning and other transient voltage events.
Applications
TVS devices are ideal for the protection of I/O Interfaces, VCC bus and other vulnerable circuits used in Telecom,
Computer, Industrial and Consumer electronic applications.
欧时:
TVS 5KW 20V 5%BI DO-214AB TR13 RoHS
立创商城:
Vrwm:20V 5kW
得捷:
TVS DIODE 20VWM 32.4VC DO214AB
e络盟:
TVS二极管, 5.0SMDJ Series, 双向, 20 V, 32.4 V, DO-214AB, 2 引脚
艾睿:
Diode TVS Single Bi-Dir 20V 5KW 2-Pin DO-214AB T/R
Chip1Stop:
Diode TVS Single Bi-Dir 20V 5KW 2-Pin DO-214AB T/R
Verical:
TVS Diode Single Bi-Dir 20V 5KW 2-Pin SMC T/R
Win Source:
TVS DIODE 20VWM 32.4VC SMD
电路数 1
针脚数 2
钳位电压 32.4 V
最大反向电压(Vrrm) 20V
测试电流 1 mA
最大反向击穿电压 24.5 V
脉冲峰值功率 5000 W
最小反向击穿电压 22.2 V
击穿电压 22.2 V
工作温度Max 150 ℃
工作温度Min -65 ℃
工作结温 -65℃ ~ 150℃
安装方式 Surface Mount
引脚数 2
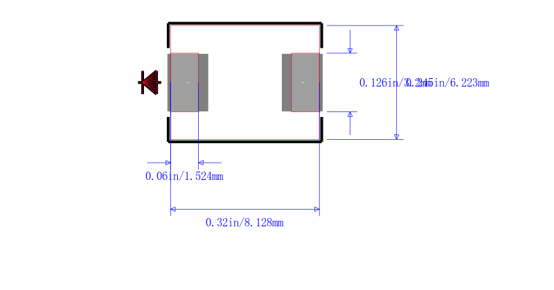
封装 DO-214AB
长度 7.11 mm
宽度 6.22 mm
高度 2.62 mm
封装 DO-214AB
工作温度 -65℃ ~ 150℃ TJ
产品生命周期 Active
包装方式 Tape & Reel TR
制造应用 通用
RoHS标准 RoHS Compliant
含铅标准 Lead Free
ECCN代码 EAR99


