











74系列逻辑芯片/74HC573D
74HC 系列触发器和闩锁,Nexperia
74HC 系列 CMOS 逻辑 IC 的一系列 触发器和闩锁。 74HC 系列使用硅门 CMOS 技术,实现与 LSTTL 系列类似的工作速度,但标准 CMOS 集成电路功耗降低。
高速 CMOS 逻辑
工作电压:2 至 6 V
兼容性:输入 CMOS、输出 CMOS
欧时:
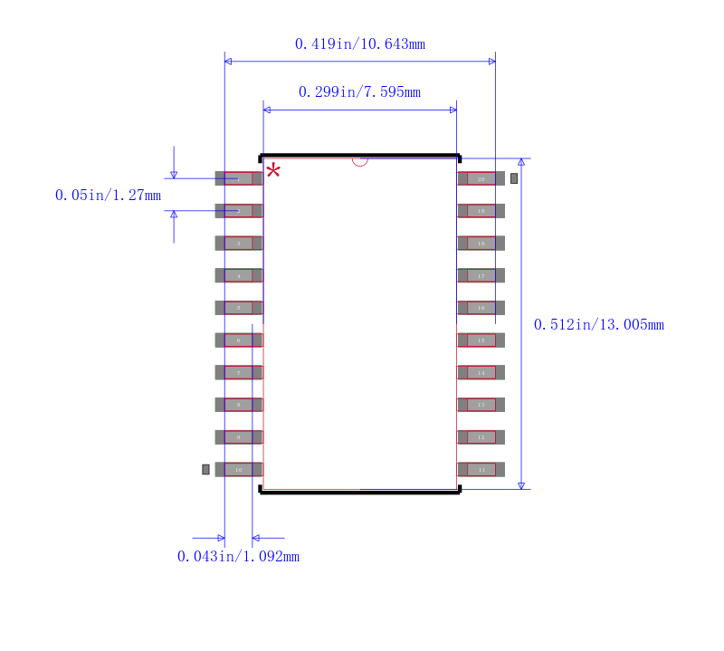
NXP 74HC573D 8bit位 D 型 透明 弹簧锁, 三态输出, 2 → 6 V电源, 20引脚 SOIC封装
TME:
IC: digital; D latch transparent; Channels:8; SMD; SO20; Series: HC
Verical:
Latch Transparent 3-ST 8-CH D-Type 20-Pin SO Bulk
Win Source:
IC LATCH OCTAL D 3STATE 20SOIC


