








微型钮子开关
拨动 SPDT 面板安装,直角,垂直
得捷:
SWITCH TOGGLE SPDT 0.4VA 20V
立创商城:
微型钮子开关4件套
艾睿:
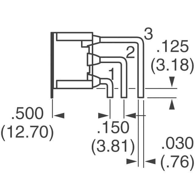
The 7101SYAV2BE toggle switch from C&a;K Components allows you to control the status of your project. It has a SPDT configuration. This toggle switch has an operating temperature range of -30 °C to 85 °C. The 7101SYAV2BE toggle switch has a PC pin termination style. The maximum AC voltage rating is 20 VAC and the maximum DC voltage rating is 20 VDC. This product is 6.86 mm long, 12.7 mm tall and 40.26 mm deep.
安富利:
Switch Toggle ON None ON SPDT Round Toggle PC Pins 20VAC 20VDC 0.4VA PC Mount with Bracket and Threads
Chip1Stop:
Switch Toggle ON None ON SPDT Round Lever PC Pins 20VAC 20VDC 0.4VA PC Mount with Bracket and Threads
Verical:
Switch Toggle ON None ON SPDT Round Lever PC Pins 20VAC 20VDC 0.4VA PC Mount with Bracket and Threads Medical Bulk
MASTER:
Miniature Toggle Switch
Online Components:
Miniature Toggle Switch
Electro Sonic:
Miniature Toggle Switch
额定电压DC 20 V
额定电压AC 20 V
排数 1
触点类型 SPDT
绝缘 Epoxy
工作温度Max 85 ℃
工作温度Min -30 ℃
额定电压DC Max 20 V
额定电压AC Max 20 V
接触电阻Max <10 mΩ
安装方式 Through Hole
封装 -
长度 6.86 mm
高度 12.7 mm
封装 -
触点材质 Copper Alloy
工作温度 -30℃ ~ 85℃
产品生命周期 100000 Cycles
包装方式 Bulk
RoHS标准 RoHS Compliant
含铅标准 Lead Free
ECCN代码 EAR99
HTS代码 8536509065