





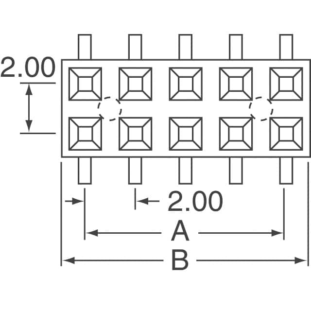
10 位置 全部 双排 2 mm 间距 表面贴装 母头 针座
10 位置 接头 0.079"(2.00mm) 表面贴装型 镀金
得捷:
CONN HDR 10POS 0.079 GOLD SMD
Chip1Stop:
Conn Socket Strip F 10 POS 2mm Solder ST SMD
| 型号/品牌 | 代替类型 | 替代型号对比 |
|---|---|---|
NPPN052FFKS-RC Sullins | 当前型号 | 当前型号 |
PPPN052FFKS Sullins | 完全替代 | NPPN052FFKS-RC和PPPN052FFKS的区别 |