




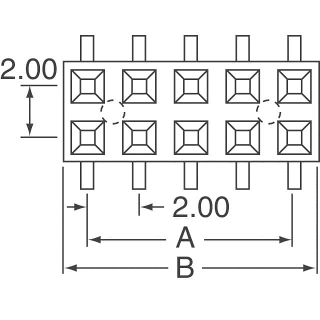
Conn Socket Strip F 20POS 2mm Solder ST SMD
20 位置 接头 表面贴装型
得捷:
CONN HDR 20POS 0.079 GOLD SMD
Chip1Stop:
Conn Socket Strip F 20 POS 2mm Solder ST SMD
| 型号/品牌 | 代替类型 | 替代型号对比 |
|---|---|---|
NPPN102FFKS-RC Sullins | 当前型号 | 当前型号 |
PPPN102FFKS Sullins | 完全替代 | NPPN102FFKS-RC和PPPN102FFKS的区别 |