







实时时钟 w/240x8 NVSRAM Alarm Wake-up
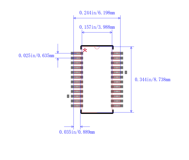
实时时钟 RTC IC 时钟/日历 242B 并联 24-SSOP(0.154",3.90mm 宽)
得捷:
IC RTC CLK/CALENDAR PAR 24SSOP
贸泽:
实时时钟 w/240x8 NVSRAM Alarm Wake-up
艾睿:
Real Time Clock Multiplexed 242Byte 24-Pin SSOP T/R
安富利:
Real Time Clock Multiplexed 242Byte 24-Pin SSOP T/R
Chip1Stop:
Real Time Clock Multiplexed 242Byte 24-Pin SSOP T/R
Verical:
Real Time Clock Multiplexed 242byte 24-Pin SSOP T/R
Win Source:
Real Time Clock RTC IC Clock/Calendar 242B Parallel 24-SSOP 0.154", 3.90mm Width



| 型号/品牌 | 代替类型 | 替代型号对比 |
|---|---|---|
BQ3285LFSS-A1TRG4 TI 德州仪器 | 当前型号 | 当前型号 |
BQ3285LFSS-A1G4 德州仪器 | 完全替代 | BQ3285LFSS-A1TRG4和BQ3285LFSS-A1G4的区别 |
BQ3285LDSS 德州仪器 | 类似代替 | BQ3285LFSS-A1TRG4和BQ3285LDSS的区别 |
BQ3285LFSS-A1 德州仪器 | 类似代替 | BQ3285LFSS-A1TRG4和BQ3285LFSS-A1的区别 |