









XP POWER ITV0515SA 直流/直流转换器 隔离式板载, SIP, 固定, 通孔安装, 1 W, 15 V, 66.7 mA
XP 电源 - ITV 系列隔离直流-直流转换器
XP 电源 ITV 系列直流-直流转换器为用户提供可靠坚固的产品,适用于多种应用。 ITV 系列随附单或双输出 SIP 封装转换器。
特点和优势
单路和双路输出。
SIP 封装。
工业标准引脚输出。
MTBF >3.5 MHrs
宽工作温度 -40°C 至 +105°C,95°C 环境时带全负载。
### - 隔离直流-直流转换器
得捷:
DC DC CONVERTER 15V 1W
欧时:
DC/DC Converter Isolated 15V 1W
e络盟:
直流/直流转换器 隔离式板载, ITE, 1输出, 1 W, 15 V, 66.7 mA
Allied Electronics:
Power Supply; DC-DC, 1W SINGLE O/P, SIP, UNREG, 3kV
Newark:
# XP POWER ITV0515SA Isolated Board Mount DC/DC Converter, Fixed, 1 Output, 4.5 V, 5.5 V, 1 W, 15 V
额定功率 1 W
输出接口数 1
输出电压 15 VDC
输出电流 66.7 mA
输出功率 1 W
隔离电压 3.0 kV
输入电压Max 5.5 V
输入电压Min 4.5 V
输入电压DC Max 5.5 V
输入电压DC Min 4.5 v
输出电流Max 66.7 mA
输入电流Min 30mANo Load, 253mAFull Load
输出功率Max 1 W
输入电压 4.5VDC ~ 5.5VDC
安装方式 Through Hole
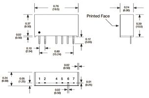
封装 SIP-7
长度 19.5 mm
宽度 6 mm
高度 10 mm
封装 SIP-7
重量 2.4 g
工作温度 -40℃ ~ 105℃
产品生命周期 Active
包装方式 Tube
制造应用 ITE(商业), 信号处理, 工业
RoHS标准 RoHS Compliant
含铅标准 Lead Free
| 型号/品牌 | 代替类型 | 替代型号对比 |
|---|---|---|
ITV0515SA XP Power | 当前型号 | 当前型号 |
NMV0515SAC 村田 | 功能相似 | ITV0515SA和NMV0515SAC的区别 |
DCH010515SN7 德州仪器 | 功能相似 | ITV0515SA和DCH010515SN7的区别 |
RP-0515S/P RECOM Power | 功能相似 | ITV0515SA和RP-0515S/P的区别 |