
低压差稳压器 LT3021/LT3021-1.2/ LT3021-1.5/LT3021-1.8 - 500mA, Low Voltage, Very Low Dropout Linear Regulator
DESCRIPTIO U
The LT®3021 is a very low dropout voltage VLDOTM linear regulator that operates from input supplies down to 0.9V. This device supplies 500mA of output current with a typical dropout voltage of 160mV. The LT3021 is ideal for low input voltage to low output voltage applications, providing comparable electrical efficiency to that of a switching regulator.
FEATURES
■ VIN Range: 0.9V to 10V
■ Dropout Voltage: 160mV Typical
■ Output Current: 500mA
■ Adjustable Output VREF = VOUTMIN = 200mV
■ Fixed Output Voltages: 1.2V, 1.5V, 1.8V
■ Stable with Low ESR, Ceramic Output Capacitors 3.3µF Minimum
■ 0.2% Load Regulation from 0mA to 500mA
■ Quiescent Current: 120µA Typ
■ 3µA Typical Quiescent Current in Shutdown
■ Current Limit Protection
■ Reverse-Battery Protection
■ No Reverse Current
■ Thermal Limiting with Hysteresis
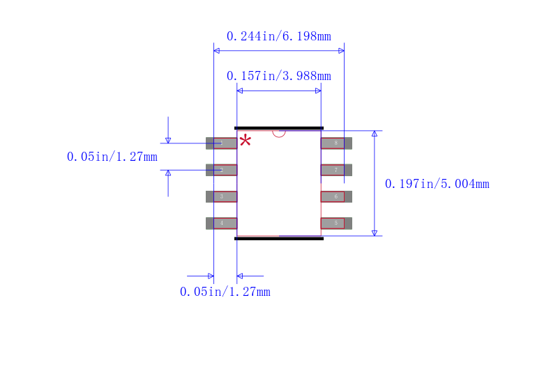
■ 16-Pin DFN 5mm × 5mm and 8-Lead SO Packages
APPLICATIONS
■ Low Current Regulators
■ Battery-Powered Systems
■ Cellular Phones
■ Pagers
■ Wireless Modems


