

转换器,Renesas Electronics NEC### 比较器,Renesas
转换器, NEC
### ,Renesas
立创商城:
UPC311C-A
欧时:
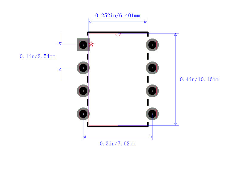
Renesas Electronics UPC311C-A 比较器, 开路集电极输出, 0.2μs, 多种电源电压适用, 8引脚 PDIP封装



| 型号/品牌 | 代替类型 | 替代型号对比 |
|---|---|---|
UPC311C-A Renesas Electronics 瑞萨电子 | 当前型号 | 当前型号 |
LT311AN8 凌力尔特 | 类似代替 | UPC311C-A和LT311AN8的区别 |
MLM311P 德州仪器 | 类似代替 | UPC311C-A和MLM311P的区别 |
UPC311C 瑞萨电子 | 功能相似 | UPC311C-A和UPC311C的区别 |