LPV7215MF

LPV7215MF中文资料参数规格
技术参数

输出电流 19mA @5V

通道数 1

共模抑制比 98 dB

工作温度Max 85 ℃

工作温度Min -40 ℃

封装参数

安装方式 Surface Mount

引脚数 5

封装 SOT-23

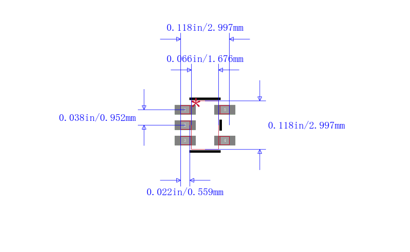
外形尺寸

封装 SOT-23

其他

产品生命周期 Active

包装方式 Tape & Reel TR

符合标准

RoHS标准 Non-Compliant

含铅标准 Lead Free

数据手册

LPV7215MF引脚图与封装图
LPV7215MF封装图
LPV7215MF封装焊盘图
在线购买LPV7215MF
型号: LPV7215MF
制造商: TI 德州仪器
描述:Comparator Single R-R I/P 5.5V 5Pin SOT-23 T/R
替代型号LPV7215MF
型号/品牌 代替类型 替代型号对比

LPV7215MF

TI 德州仪器

当前型号

当前型号

LPV7215MF/NOPB

美国国家半导体

类似代替

LPV7215MF和LPV7215MF/NOPB的区别

 锐单商城 - 一站式电子元器件采购平台  

 深圳锐单电子有限公司