





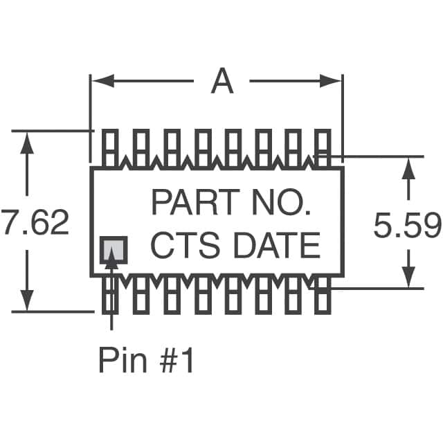
Res Thick Film NET 120Ω 2% 2.3W ±100ppm/℃ ISOL Ceramic 16Pin SOGN Gull Wing SMD T/R/Slide Pack
120 欧姆 ±2% 200mW 每元件功率 隔离 8 器网络,阵列 ±100ppm/°C 16-SOIC(0.220",5.59mm 宽)
立创商城:
120Ω ±2%
贸泽:
Resistor Networks & Arrays ISOLATED
艾睿:
Res Thick Film NET 120 Ohm 2% 2.3W