





0.5A或更少可逆电机驱动器(单启动子) 0.5A or Less Reversible Motor Drivers Single Moter
Motor Driver
得捷:
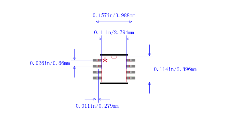
IC MOTOR DRIVER 4.5V-5.5V 8MSOP
贸泽:
Motor / Motion / Ignition Controllers & Drivers REVERSE MOTOR DRIVER 8PIN
艾睿:
Reversible Motor Driver 8-Pin MSOP T/R
安富利:
Reversible Motor Driver 8-Pin MSOP T/R
Win Source:
Motor Driver Power MOSFET On/Off 8-MSOP



| 型号/品牌 | 代替类型 | 替代型号对比 |
|---|---|---|
BH6578FVM-TR ROHM Semiconductor 罗姆半导体 | 当前型号 | 当前型号 |
BD7931F-E2 罗姆半导体 | 功能相似 | BH6578FVM-TR和BD7931F-E2的区别 |