

















A78 系列线性电压调节器,Texas Instruments**Texas Instruments** **μA78** 系列是线性电压调节器,提供从 2.6 V 到 15 V 固定输出电压。三端正电压调节器提供热过载关闭和内部电流限制。 无需外部元件,尽管可通过外部设备调节电压和电流。 TI 正线性调节器 IC 产生 1.5A 的输出电流,用于 **μA78** 系列,产生 0.1A 电流,用于 **μA78L** 型号且 **μA78M** 提供 0.5A 电流输出。 它可用于各种应用,包括附加卡调节,可消除与单点调节一起出现的问题,它还适用于电信、计算和便携式设备应用。 输出电流:1.5 A **μA78xx**;0.1 A **μA78Lxx** 和 0.5 A **μA78Mxx** 内部热过载保护、内部短路电流限制 输出晶体管安全区域补偿 高功耗 ### 线性电压调节器,Texas InstrumentsTexas Instruments 固定和可调线性电压调节器系列。 该系列包括正极和负极设备,输出电流额定值从 100mA 到 5A。
μA78 系列线性电压调节器,Texas Instruments
**Texas Instruments** **μA78** 系列是线性电压调节器,提供从 2.6 V 到 15 V 固定输出电压。三端正电压调节器提供热过载关闭和内部电流限制。 无需外部元件,尽管可通过外部设备调节电压和电流。 正线性调节器 IC 产生 1.5A 的输出电流,用于 **μA78** 系列,产生 0.1A 电流,用于 **μA78L** 型号且 **μA78M** 提供 0.5A 电流输出。 它可用于各种应用,包括附加卡调节,可消除与单点调节一起出现的问题,它还适用于电信、计算和便携式设备应用。
输出电流:1.5 A内部热过载保护、内部短路电流限制
输出晶体管安全区域补偿
高功耗
### 线性稳压器,Texas Instruments
Texas Instruments 固定和可调线性稳压器系列。 该系列包括正极和负极设备,输出电流额定值从 100mA 到 5A。
工作电压 17.5V ~ 30V
输出接口数 1
输出电压 15 V
输出电流 100 mA
通道数 1
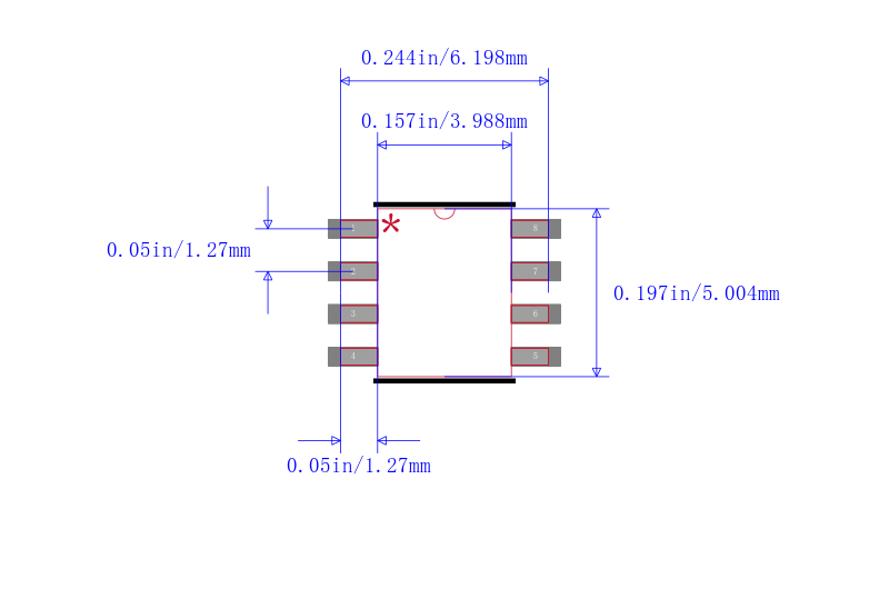
针脚数 8
静态电流 4.60 mA
输出电容类型 Capacitor Free
跌落电压 1.7V @40mA
调节输出数 1
输入电压Max 30 V
输入电压Min 17.5 V
输出电压Min 15 V
输出电流Max 100 mA
工作温度Max 125 ℃
工作温度Min 0 ℃
精度 ±5 %
输入电压 17.5V ~ 30V
安装方式 Surface Mount
引脚数 8
封装 SOIC-8
长度 4.9 mm
宽度 3.91 mm
高度 1.58 mm
封装 SOIC-8
工作温度 0℃ ~ 125℃
产品生命周期 Active
包装方式 Each
RoHS标准 RoHS Compliant
含铅标准 Lead Free
REACH SVHC标准 No SVHC
REACH SVHC版本 2015/06/15



| 型号/品牌 | 代替类型 | 替代型号对比 |
|---|---|---|
UA78L15ACD TI 德州仪器 | 当前型号 | 当前型号 |
UA78L15ACDR 德州仪器 | 类似代替 | UA78L15ACD和UA78L15ACDR的区别 |
LM78L15ACM 德州仪器 | 类似代替 | UA78L15ACD和LM78L15ACM的区别 |
UA78L15ACDRE4 德州仪器 | 类似代替 | UA78L15ACD和UA78L15ACDRE4的区别 |